Q41W不銹鋼硬密封高溫球閥詳情介紹
Q41W不銹鋼硬密封高溫球閥產品概述
金屬硬密封法蘭球閥閥座采用板簧加載的金屬密封結構,在高溫下啟閉輕松的高性能球閥產品。球體及閥座采用某種硬化處理,密封面不擦傷。金屬硬密封球閥具有雙向密封功能。主要用途:金屬硬密工作溫度-29~425℃(碳鋼)或-40~550℃(不銹鋼)的各種管路上,用于截斷或接通管路中的介質,選用不同的材質,金屬硬密封球閥可分別適用于水、蒸汽、油品、硝酸、醋酸、氧化性介質等多種介質。
主要特點
1、新型的閥座:聚多年球閥制造經驗而設計的閥座,確保閥門密封,磨擦系數低,操作力矩小、多種閥座材料、適應范圍廣。
2、開關無誤的手柄:采用扁頭閥桿,與手柄的連接不會錯位,從而保證手柄指示的開關狀態與閥致辭。
3、鎖緊裝置:為防止閥門開關誤操作,在閥門全開、全關位置有鎖定孔,確保閥門處于正確的位置。
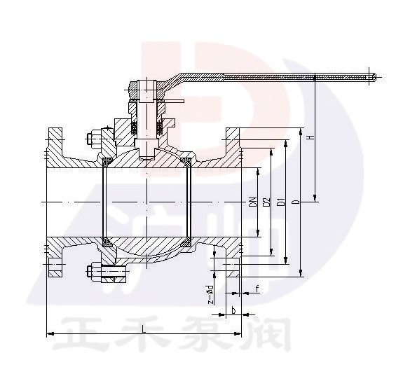
結構圖:

壓力等級 | 公稱壓力 | 磅級 | ||||||||
1.6 | 2.5 | 4.0 | 6.4 | 10.0 | 150 | 300 | 400 | 600 | ||
試驗壓力 | 殼體試驗 | 2.4 | 3.75 | 6.0 | 9.6 | 15.0 | 3.03 | 7.5 | 10.2 | 15.0 |
密封試驗 | 1.76 | 2.75 | 4.4 | 7.04 | 11.0 | 2.2 | 5.5 | 7.48 | 11.0 | |
適用工況 | 適用介質 | 紙漿、漿料、粉塵及各種固體顆粒介質 | ||||||||
適用溫度 | -196~≤550℃ | |||||||||
適用規范 | 設計制造標準 | GB12237-89 API60JP17S-48 | ||||||||
法蘭尺寸標準 | JB79-59、GB91133、HG20592-97ANSI B16.5JIS B2212-2214 | |||||||||
結構長度標準 | GB12221-89ANSI B16.0JIS B2002 | |||||||||
試驗標準 | JB/T9092-99 API598 | |||||||||
技術規范
零件名稱 | 零件材料 | |||
閥體、閥蓋 | WCB | 304(CF8) | 316(CF8M) | 316L(CF3M) |
球體 | 2Cr13+淡化處理 | 304 | 316 | 316L |
閥桿 | 2Cr13 | 304 | 316 | 316L |
閥座密封圈 | 2Cr13+淡化處理 | 304 | 316 | 316L |
填料 | V型PTFE、柔性石墨 | |||
零件材料
注:球體可根據用要求選用不同材質:A105、304、316、316L、LF2、F51、42CrMo、Monel、17-4PH、CF8、CF8M等。
PN1.6MPa外形尺寸
公稱通徑DN | 15 | 20 | 25 | 32 | 40 | 50 | 65 | 80 | 100 | 125 | 150 | 200 |
L | 130 | 140 | 150 | 165 | 180 | 200 | 220 | 250 | 280 | 320 | 360 | 400 |
H | 59 | 63 | 75 | 85 | 95 | 107 | 142 | 152 | 178 | 252 | 272 | 342 |
W | 130 | 130 | 160 | 180 | 230 | 230 | 400 | 400 | 650 | 1050 | 1050 | 1410 |
法蘭連接尺寸 | 無特殊要求,按照標準執行:JB/T 79、GB/T 9113、GB/T 9115、HG 20594 等系列標準。 | |||||||||||
Wt(Kg) | 2.5 | 3 | 5 | 6 | 7 | 10 | 15 | 19 | 33 | 58 | 93 | 160 |
PN2.5MPa外形尺寸
公稱通徑DN | 15 | 20 | 25 | 32 | 40 | 50 | 65 | 80 | 100 | 125 | 150 | 200 |
L | 130 | 140 | 150 | 165 | 180 | 200 | 220 | 250 | 320 | 400 | 400 | 550 |
H | 59 | 63 | 75 | 97 | 107 | 142 | 152 | 178 | 252 | 272 | 342 | 345 |
W | 130 | 130 | 160 | 230 | 230 | 400 | 400 | 700 | 1100 | 1100 | 1500 | 1500 |
法蘭連接尺寸 | 無特殊要求,按照標準執行:JB/T 79、GB/T 9113、GB/T 9115、HG 20594 等系列標準。 | |||||||||||
Wt(Kg) | 2.5 | 3 | 5 | 6 | 7.5 | 10 | 15 | 20 | 33 | 60 | 93 | 175 |
PN4.0MPa外形尺寸
公稱通徑DN | 15 | 20 | 25 | 32 | 40 | 50 | 65 | 80 | 100 | 125 | 150 | 200 |
L | 130 | 140 | 150 | 180 | 200 | 220 | 250 | 280 | 320 | 400 | 400 | 400 |
H | 59 | 63 | 75 | 85 | 95 | 107 | 142 | 152 | 178 | 252 | 272 | 342 |
W | 130 | 130 | 160 | 230 | 230 | 400 | 400 | 700 | 1100 | 1100 | 1500 | 1500 |
法蘭連接尺寸 | 無特殊要求,按照標準執行:JB/T 79、GB/T 9113、GB/T 9115、HG 20594 等系列標準。 | |||||||||||
Wt(Kg) | 3 | 4 | 5 | 7 | 9 | 12 | 18 | 28 | 46 | 75 | 106 | 190 |
PN6.4MPa外形尺寸
公稱通徑DN | 15 | 20 | 25 | 32 | 40 | 50 | 65 | 80 | 100 | 125 | 150 | 200 |
L | 165 | 190 | 216 | 229 | 241 | 292 | 330 | 356 | 432 | 508 | 559 | 660 |
H | 59 | 63 | 75 | 97 | 107 | 142 | 152 | 178 | 252 | 272 | 305 | 398 |
W | 130 | 130 | 160 | 230 | 230 | 400 | 400 | 700 | 1100 | 1100 | 1500 | 1800 |
法蘭連接尺寸 | 無特殊要求,按照標準執行:JB/T 79、GB/T 9113、GB/T 9115、HG 20594 等系列標準。 | |||||||||||
Wt(Kg) | 6.5 | 7 | 8 | 12 | 14 | 18 | 28 | 40 | 65 | 98 | 140 | 250 |
